
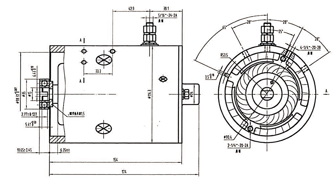
Dimensions: • 1) 5/16-24 Terminal Post Specs: • Thru bolts at 5:00 & 11:00 positions • Additional 1/4-20 switch mtg. holes in field case for broader coverage • For 2-field coil version use 10751N Features: • 100% New • 4-field coils • Single ball bearing Interchanges: WAI New 10753N WAI Old 82-6873 ACE Electric CM6581 ACE Zorkos CM10753N Alltech 205-10753 American Power Systems APS10753 Armature G Roy 10753 Bepco 80-10753 DuBois W8999 EGI S-10753 Electric Motor Service (EMS) 10753N JS Barnes 2200654 Just Parts PR2-0055, PR5-0091N, PR5-0109N Lester 10753 MES - Marine Electric Suppliers 10753N Minnpar 67-2151 Minnpar Old 6882151 Mondial 70-648-32 Mondial New 70-648-32N MTE Hydraulics 39200380 Our Part Number 10753N Part # 10753 PASCO S-700843B Power Select 10753N Powerite Automotive 10753 Prestolite 46-2624, 46-2662, 46-3621, MUE-7005S, MUE6106, MUE6106S, MUE6108S, MUE7005 Quality Rebuilders 10753 Raw Power 10753N RCP 26216A Road Warrior 10753N Rotex 10753 Stratoline 80-10753 Suncoast 10753 Techno CVC IND-4254001 TSA 10753N UCP Remanufactured 10753 Western Motors Service W-8799 Zorko 10753 |